Wir spielen die Hits der letzten 300 Jahre!



Watt - Meer - Strand und Sand

Das norddeutsche Patientenradio in Schleswig Holstein


Home_temp_video_startseite_s182

Patientenfunk Elmshorn

Home Kontakt Datenschutz Impressum Zurück

Private Internetpräsenz - Webseite V7.54

Technik & DIY Platzhalter

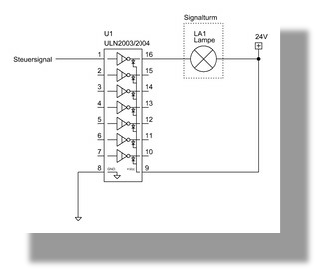
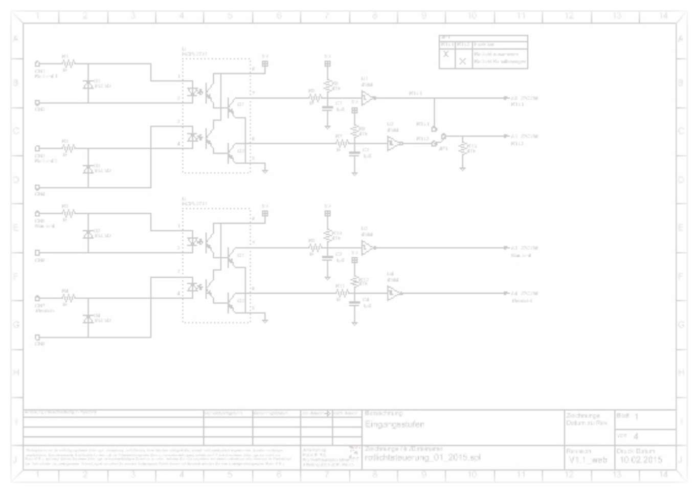
Rotlichtsteuerung mit Call-Detector Mikronarmsignalisierung (Kundenentwicklung)

Copyright: Alle Rechte vorbehalten!

Nutzung NUR für ehrenamtliche Zwecke und private Nutzung

Seiten ID: 141






Wir sind durch einen neuen Webradiosender auf eine Rotlichtsteuerung angesprochen worden.


Die Frage bezog sich auf Konstruktion einer kompletten Steuerung für alle Signalelemente in einem

Studio. Gleichermassen also Rotlicht, Talk Timer und Ruferlennung der Telefonleitung.


Nachdem unsere Konstrukteure sich dem Projekt angenommen hatten, kam keine Rückmeldung von diesem

besagten Sender. Wir haben gutgläubig für die Mülltonne konstruiert. Ein glück, das wir die Schaltung so

universell aufgebait haben, das diese fast überall einsetzbar ist.


Als Leistungsmerkmale haben wir vorgesehen:


- Potentialfreie Signaleingänge für Rotlicht 1 und Rotlicht 2

- Zwei unabhängige MIKA Mikrofonarme mit Rotlicht

- Ruferkennung einer analogen Telefonleitung

- Schleifenstromerkennung (Belegterkennung) einer analogen Telefonleitung

- Optionaler Talk Timer

- Lampentest


Wir verzichten hier bewusst auf Nennung des Namens - obwohl wir dies gern getan hätten. Für die Zukunft

werden wir nur noch nach vorherige Spende an die DKMS Schaltungsentwürfe ausarbeiten und weiterleiten.


Der Emfänger bekam auch vorab die Original Konstruktionsunterlagen - allerdings ohne Bauteilbezeichnungen

und Quellcode für den Programmierten Baustein.


Bei Bedarf und Interesse nehmen Sie bitte Kontakt mit uns auf.

Rotlichtsteuerung_02_2015_V1_01_web_free.pdf

Rotlichtsteuerung_02_2015_V1_01_.pdf

Service/Reparaturanfrage für DIY Projekte Wichtiger Hinweis: Es handelt sich bei Service/Reparaturanfragen um eine Unterstützungsleistung. Wir sind KEIN OFFIZIELLER Partner des Herstellers!  Service/Reparaturanfragen auf kommerzieller Basis leiten wir gern an einen Fachbetrieb weiter. Edit 26072021